ADR - Компактные прецизионные угловые редукторы с планетарной передачей (с монтажным фланцем).
Специальная разработка для непрерывного (S1) или циклического (S5) режима работы.
- Размеры поставляемых редукторов: 047-255.
- Номинал входной скорости: 2000-5000 об/мин.
-
Максимальный момент ускорения: 42–6000 Нм.
- Срок службы на различных режимах варьируется от 15000 до 30000 часов
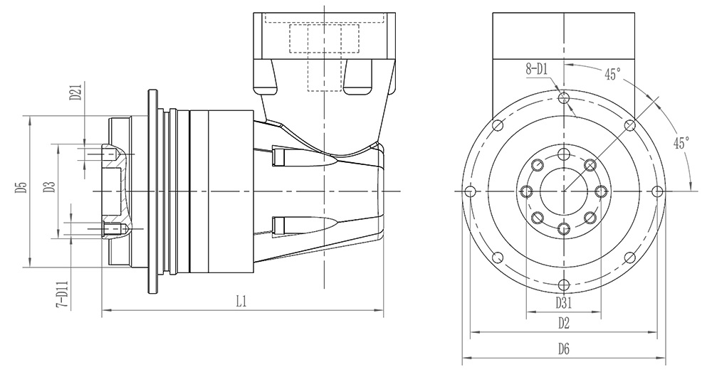
| единица измерения = мм | AD47/ADR47 | AD64/ADR64 | AD90/ADR90 | AD110/ADR110 | AD140/ADR140 | AD200/ADR200 | AD255/ADR255 | |
| D3 Диаметр выходного вала | 28 | 39 | 63 | 80 | 110 | 160 | 180 | 180 |
| D5 Диаметр направляющего патрубка | D5 | 47 | 64 | 90 | 110 | 140 | 200 | 255 |
| L1 Длина выходного вала | L1 | 19.5 | 19.5 | 30 | 29 | 38 | 50 | 66 |
| D6 Размер выходного фланца | D6 | Ø3 | Ø5 | Ø6 | Ø6 | Ø8 | Ø10 | Ø17.3 |
| D1 Монтажные отверстия на фланце | D1 | Ø3.4 | Ø4.5 | Ø5.5 | Ø5.5 | Ø8 | Ø10 | Ø13.5 |
| D2 Круг болта | D2 | 67 | 79 | 109 | 135 | 168 | 233 | 280 |
| D31 Соберите круг с отверстием для болта | D31 | 20 | 31.5 | 50 | 63 | 80 | 125 | 140 |
| L1 Общая длина | L1 | Регулируется в зависимости от двигателя | ||||||





















