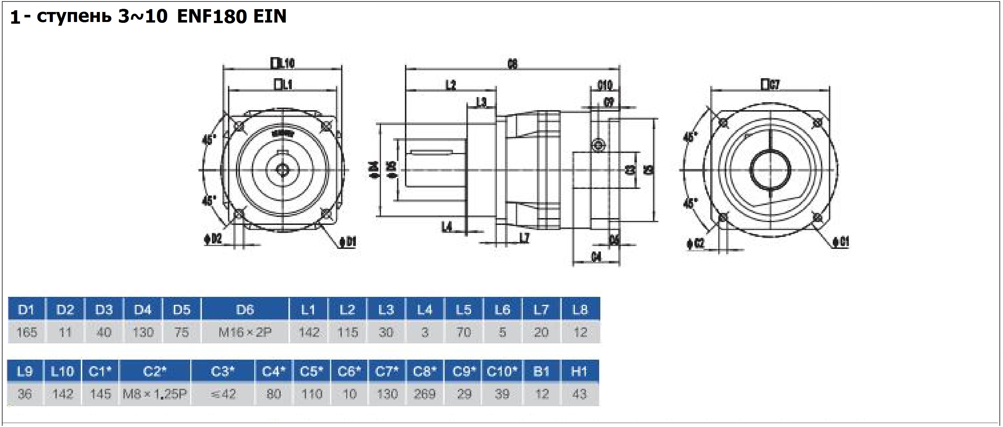
ENF180 планетарный редуктор



Данный текст охраняется законом РФ о защите авторских прав, а также международным законодательством в этой области.
Любое частичное или полное копирование, скан страниц и воспроизведение без разрешения владельца запрещено.
Лица, виновные в нарушении авторских прав и исключительных прав на использование текста, несут гражданско-правовую, административную и уголовную ответственность!"